Submit Blog Post
Home
Blog
Sign Up
Sign In
Careers
Contact
Can Chris Gabehart countersue Joe Gibbs Racing? Details about employment claims and termination
"That's news": Megyn Kelly reacts after Savannah Guthrie says Nancy Guthrie was taken "from her bed” in new video message
Can Chris Gabehart countersue Joe Gibbs Racing? Details about employment claims and termination
"That's news": Megyn Kelly reacts after Savannah Guthrie says Nancy Guthrie was taken "from her bed” in new video message
Home
Blog
Sign Up
Sign In
Forum
Careers
Contact
S
Shaik Mohammed Faizan's
Robotics For U
This site helps u in participating in robotic events fo
beginners.
Rated
2.8/ 5
Updated
16 Years Ago
Blog by Shaik Mohammed Faizan
From
Rate Now
2.77/5
1
2
3
4
5
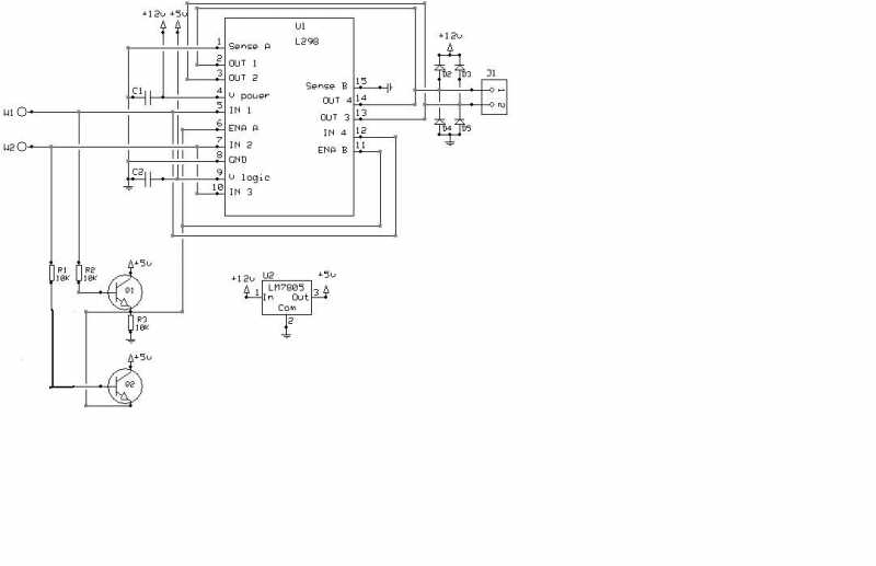
4 amp Motor Driver ckt
Updated 16 Years Ago
By
Shaik Mohammed Faizan
This is a 4 amp motor driver ckt which i have used in my recent robotics competition ROBOCON where i was driving a power window motor which...
Read More
More Blog Posts By Shaik Mohammed Faizan
Image not available for this blogpost
Simple Line Follower Tutorial
Image not available for this blogpost
Microcontroller Tutorial 2
Image not available for this blogpost
Microcontroller Tutorials 1
Tactile Bump Sensors
Image not available for this blogpost
Sensors To Be Used In Line Follower
Photo Roller N Photovore
Voice Controlled Robot
Robot Tat Acts Like Rat
Bug Robot
TAGS
Robotics
Electronics
Technology
New Blog Posts
Can Chris Gabehart countersue Joe Gibbs Racing? Details
0
"That's news": Megyn Kelly reacts after Savannah Guthri
0
"rip pokimanelol": Pokimane announces "next chapter," s
0
Triple H must avoid one huge mistake on the Road to WWE
0
Viktoria Plzen vs Panathinaikos Prediction and Betting
0
Dale Earnhardt Jr. drops honest assessment of Lee Pulli
0
"Nobody’s chopped me up like that since my pops" - WW
0
Cristiano Ronaldo's Portugal monitoring situation in Me
0
...