M

Mahesh's Circuits Arena Electronics Projects

This blog contains all electronics circuits based projects
and all schematics B.Tech projects IC based projects also

  • Rated2.4/ 5
  • Updated 4 Years Ago

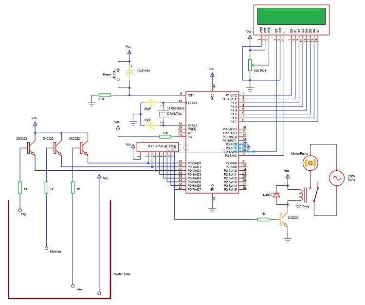
Water Level Controller By using 8051 Microcontroller

Updated 8 Years Ago

Water Level Controller By Using 8051 Microcontroller
8051 microcontroller project,Best embedded projects for engineering students,Water Level Controller using 8051 Microcontroller Electronic Projects, IC based Audio Amplifier Circuit schematics & final year electronics projects Explation for Engineering Projects Circuits Arena
Read More
...